Home Forum Ask A Member pressure tank rebuild

Viewing 6 posts - 11 through 16 (of 16 total)
  • Author
    Posts
  • #54055
    Anonymous

      I’m hoping I can get some recommendations on where to buy reasonably priced tank rebuild kits. Noticed that some I’ve seen have more gaskets than others. Going to buy one of each type.
      Thanks
      Kirk

      #54070
      Mumbles
      Participant

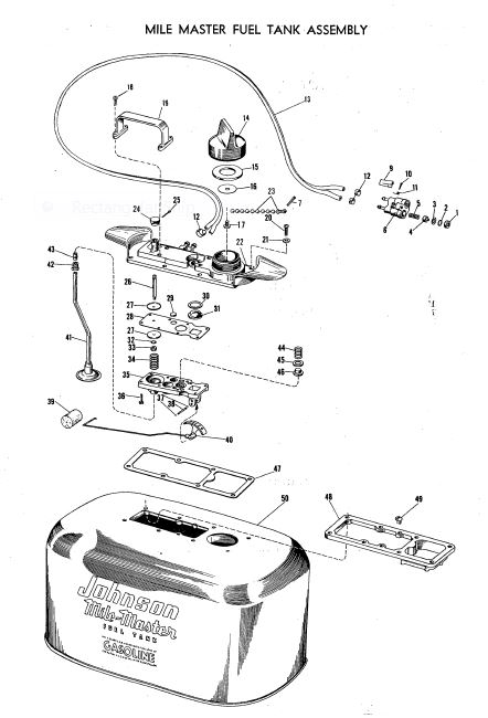
        Vintage Outboard carries a kit for the tanks with the metal primer button. Later models with the plastic button don’t have the extra hole in the diaphragm.

        https://www.vintageoutboard.com/collect … repair-kit

        #54095
        Anonymous

          Hey Mumbles, saw that one and it looks like a complete kit. Like the fact that it has the cap gaskets and instructions. Also see that it has the diaphragm plates. How often is it that the originals have to be replaced? I wish they had the kit for the plastic plunger tank. I’ll send them a message to see if it just isn’t listed.

          On another note, in looking at the tank I see there is a screw on the side of the bracket that is labeled drain. Is that intended to drain the tank? Haven’t messed around with it but I just thought I’d ask.

          Kirk

          #54097
          Mumbles
          Participant

            You don’t have to buy a whole kit as you can get the diaphragms separately. Early diaphragms with the extra hole for the metal push button are P/N 302563 while diaphragms used with the plastic button are P/N 305715. The tank gasket is 302557. I don’t have the part number handy for the sealing washers which go under the screw heads. Your friendly OMC/BRP dealer should be able to help you out.

            There’s a notch in the inner ring which lines up with the drain screw so you can flip the tank to drain it. Running out of fuel two miles from the ramp is a more exciting way to do it though. ☺

            Here’s the two different styles.


            Attachments:

            #54864
            Anonymous

              Mumbles, out looking at my tanks yesterday. Noticed that the plastic plunger tank actually says drain with an arrow showing which screw to remove. Wasn’t so with the aluminum plunger tanks (or at least it wasn’t as obvious??). Did the older tanks have the drain?
              Kirk

              #54866
              Mumbles
              Participant

                No. the drain appeared around ’57 or ’58. I can remember my father using it but I’ve never done it as I think it would be kind of messy.

              Viewing 6 posts - 11 through 16 (of 16 total)
              • You must be logged in to reply to this topic.