Home Forum Ask A Member Buccaneer. 1956

Viewing 5 posts - 1 through 5 (of 5 total)
  • Author
    Posts
  • #285073
    Tinman
    Participant

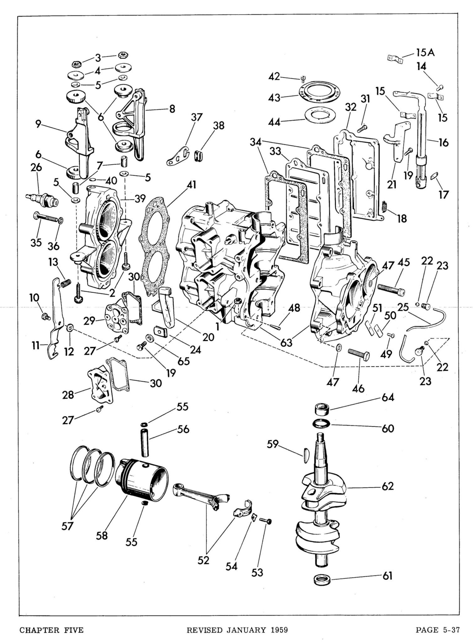
      Does this motor have a top crankshaft seal like an 18 hp?

      #285080
      Steve D
      Participant

        Looks like just a slinger. Here’s a link to download the Gale Service Manual. Link is good for a week for anyone who wants it. https://we.tl/t-JPqEQrjxfX

        12D13
        12D13_01

         

        #285100
        frankr
        Participant

          It is the garbage LOWER seal that is the killer of those motors.  Seal fails and lets water get into the crankcase, which damages the silver-plated connecting rods.  The only warning is when the rod comes busting out through the case.

           

          12hp-Gale-lower-seal-2

          #285107
          Tinman
          Participant

            Thank you. It will be of help.

            #285108
            Tinman
            Participant

              Frankr I will definitely be replacing that lower seal. Have done it on all my 15’s and 12’s. Doesn’t sound like you get any warning at all. Just bam!!! And you’re done. I’m glad it’s never happened to me.

            Viewing 5 posts - 1 through 5 (of 5 total)
            • You must be logged in to reply to this topic.