Home › Forum › Ask A Member › Johnson twist grip tension problem
- This topic has 9 replies, 8 voices, and was last updated 6 years, 4 months ago by
donsmarine.
-
AuthorPosts
-
December 24, 2019 at 1:03 pm #189883
I have a QD-15 10 hp Johnson in nice shape. However, I’m having a problem with the twist throttle. The spring that connects to the gear that turns when the handle is twisted exerts enough torque that the twist grip won’t stay put in any position I put it in. Like starting the motor, the twist grip rotates off the START position when I pull the starting cord and as a result the motor won’t start easily. Perhaps I put the spring on wrong but it looks like there’s only one way the spring attaches. Any suggestion or pictures would be appreciated. Thanks.
December 24, 2019 at 2:36 pm #189890December 24, 2019 at 3:00 pm #189893Could the coils be rubbing the flywheel slightly making the armature plate turn?
December 24, 2019 at 3:47 pm #189896I like Steve’s answer.
David Bartlett
Pine Tree Boating Club Chapter"I don't fully understand everything I know!"
December 24, 2019 at 3:56 pm #189898I like both. The friction plug is missing, or the coils are dragging. Both situations are very common.
December 24, 2019 at 4:13 pm #189900One of the instructions that came with the remote controls said to remove the friction block to lessen the load on the controls cables. The controls had enough friction to hold the speed control in place. This makes wandering speed a common problem for those who buy the motor without the controls.

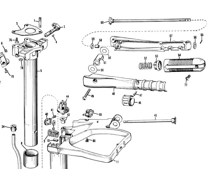
December 24, 2019 at 4:39 pm #189901Yes, check to see if you have parts 53 and 52 installed.
December 25, 2019 at 2:22 pm #189959Parts 52 and 53 are intact. The grease down in the bottom of the grip was pretty janky so I cleaned all parts in gasoline. After I reassembled, the grip seemed better and didn’t slip into SLOW when I pulled the starter rope. I checked the sinc between the throttle and cam and it seemed good; the follower contacted the cam just as the throttle began to open. It’s Christmas so it’s time to go to the neighbors for food and drink. Thanks for the advice. I’ll report after I get the time to put the motor in the tank and start it up. Merry Christmas.
December 25, 2019 at 4:12 pm #189961December 26, 2019 at 9:06 am #189998i add 1 or more washers under the spring. be aware of the handle grip screw not aligning with the throttle shaft
-
AuthorPosts
- You must be logged in to reply to this topic.

