Home Forum Ask A Member Twin johnson control box parts diagram

Viewing 6 posts - 1 through 6 (of 6 total)
  • Author
    Posts
  • #204491
    trex014
    Participant

      US MEMBER PAY BY CHECK

      I was wondering if anyone on here had a digital form of a 50’s/60’s twin johnson or evinrude remote control box parts diagram. I am planning on running twins and have a supply of single control boxes for parts which I want to scrounge and hopefully put together a twin out of them. I know there are parts what don’t swap, I’d just like to see what I don’t have to go searching for if I already have it. Any help is very appreciated!

      #204492
      trex014
      Participant

        US MEMBER PAY BY CHECK

        Also if anyone has the single control box parts diagram I’d really appreciate it

        #204495
        frankr
        Participant

          Here’s the Gale versions. Same thing, different nameplate.

          Four-Lever-Remote-Control

          Four-Lever-Remote-Control-Parts-List

          Two-Lever-Remote-Control

          Two-Lever-Remote-Control-Parts-List

          #204519
          trex014
          Participant

            US MEMBER PAY BY CHECK

            Thank you very much!! Do you possibly have the johnson ship master control diagrams too? Or the evinrude or similar? It’s the more boxy style. Those gale diagrams will be very helpful though!

            #204533
            frankr
            Participant

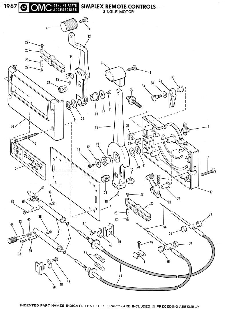
              Oh, that one. You said 1950’s. Anyhoo, here ya go–

              10.-Simplex-Remote-Control

              11.-Simplex-Remote-Control-Parts-List

              12.-Dual-Simplex-Remote-Control

              13.-Dual-Simplex-Remote-Control-Parts-List

              1 user thanked author for this post.
              #261721
              denisgay
              Participant

                looking to buy a simplex 2 levers box

                dgay@videotron.ca

                 

                please reply

                 

                ty

              Viewing 6 posts - 1 through 6 (of 6 total)
              • You must be logged in to reply to this topic.