Home › Forum › Ask A Member › water leak in engine
- This topic has 13 replies, 4 voices, and was last updated 4 years, 8 months ago by
Carlasdaddy.
-
AuthorPosts
-
August 19, 2021 at 12:26 pm #245154
I have acquired a 1956 Evinrude 7.5hp power head attached to a 1958 lower unit. I removed the power head to dis-connect shift rod and replaced the impeller in lower unit. I re-attached the power head with a new gasket and torqued attaching screws to specs. When I started it up in a barrel of water, water started coming out between the power head and lower unit. Any ideas what is wrong? Should I have used a gasket sealant on the new gasket?
-
This topic was modified 4 years, 8 months ago by
Carlasdaddy.
August 19, 2021 at 1:24 pm #245161did you use the proper gasket…. they have different designs based on year I do not think sealant is needed to mate the 2 surfaces
you need 18-3001C gasket on a 1956 to 1958
https://www.vintageoutboard.com/collections/johnson-evinrude-water-pumps-impellers-lower-units
check the design pattern on the new… lower unit
Joining AOMCI has priviledges 🙂
August 19, 2021 at 1:29 pm #245162This same question keeps popping up. So, have you checked the core plug in the bottom of the head or not?
August 19, 2021 at 1:31 pm #245163Yes, I used the proper gasket.
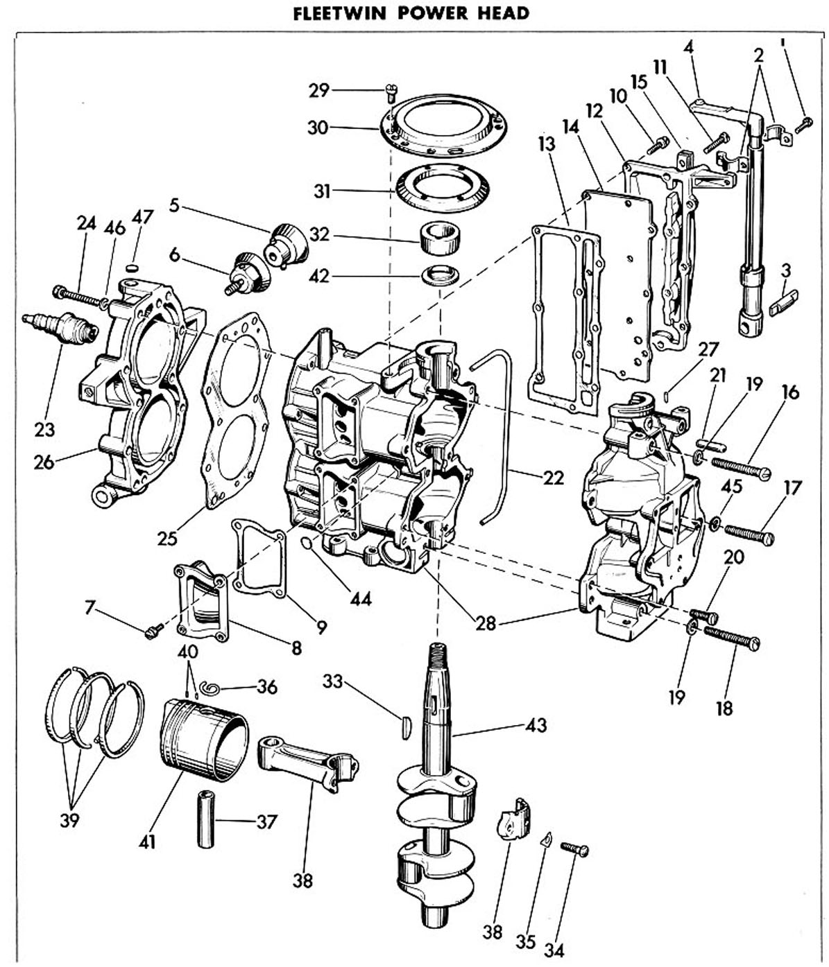
August 19, 2021 at 1:33 pm #245164Do you have a picture or diagram of where the plug is located?
August 19, 2021 at 3:14 pm #245169August 19, 2021 at 4:23 pm #245178Mumbles, aren’t there three of them? Two shown in your pix plus one on the bottom, straight down from the top one?
August 19, 2021 at 4:31 pm #245179August 19, 2021 at 10:25 pm #245201You found the problem for me. I removed the power head and found that the welch plug facing straight down was missing. Now the problem is where can I get one. Not available on eBay and Marineengine.com only carries parts back to 1957. Do you know where I can buy it?
August 19, 2021 at 10:33 pm #245206Mumbles, aren’t there three of them? Two shown in your pix plus one on the bottom, straight down from the top one?
Yup but my ’56 diagram only showed the two. I should know better than that.
-
This topic was modified 4 years, 8 months ago by
-
AuthorPosts
- You must be logged in to reply to this topic.


