Home Forum Ask A Member Year of Buccaneer?

Viewing 10 posts - 1 through 10 (of 11 total)
  • Author
    Posts
  • #7255
    Buccaneer
    Participant

      US Member

      Anyone know for sure what year this Buccaneer 5 hp is,
      and if one of it’s OMC brothers use the same throttle
      twist grip assembly?

      http://www.do-bid.com/cgi-bin/mnlist.cgi?dobid30/7

      Prepare to be boarded!

      #59130
      outbdnut2
      Participant

        US Member

        Gale made 5’s all through the 1950’s and I’d guess that one is a 1955 or 56 , but I could be off a year or so. The OMC tiller/throttle handles from 1954 up into the early 1960s for 5 to 10 HP should interchange, (maybe the 15s and 18s also) although the ones from 1959 or 1960 up will look quite a bit different.
        Dave

        #59134
        Buccaneer
        Participant

          US Member

          Dave, much appreciated. Sounds like I have "options" in finding
          the part!

          Prepare to be boarded!

          #59135
          retiredoz
          Participant

            Handle’d be the same, the throttle gears may not be. At some point in the mid-50s the gears went from pointed to rounded, and they don’t mix-n-match..

            #59148
            Buccaneer
            Participant

              US Member

              Retiredoz, From the auction photo, it looks like the tiller shaft is in
              place, so I’m guessing the gears are also. Would be great if I just
              need to find the twist handle.

              Prepare to be boarded!

              #59160
              fisherman6
              Participant

                US Member

                Make sure when you find a twist grip (assuming that is all you need) that it has the friction ring inside, unless you already have a spare one sitting around.
                -Ben

                OldJohnnyRude on YouTube

                #59168
                Buccaneer
                Participant

                  US Member

                  Thanks for the reminder Ben. I was looking at different ones on EBay,
                  and didn’t consider the friction block.
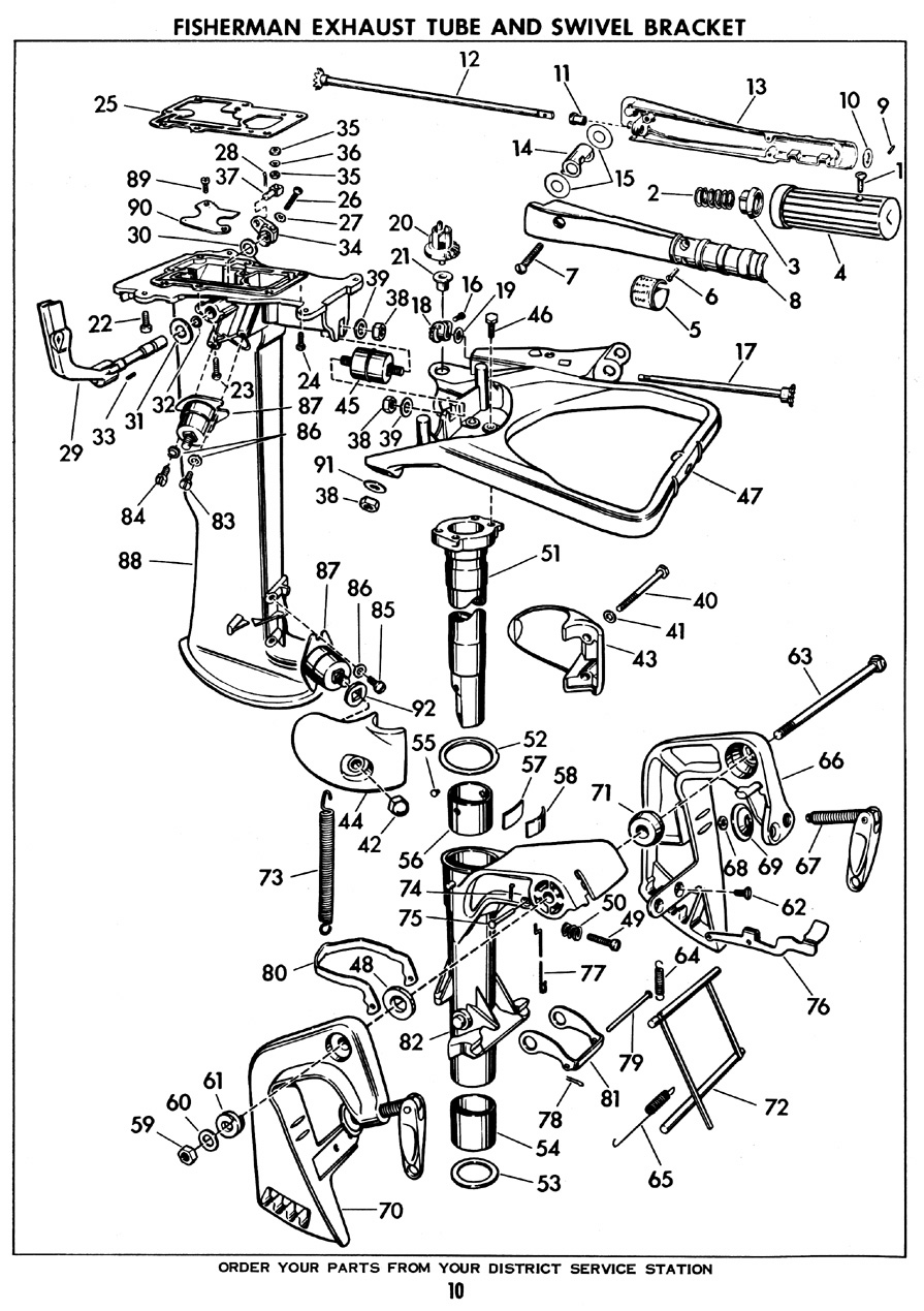
                  Anyone have a parts diagram for a circa 1956 Buccaneer 5 hp?
                  Thanks!

                  Prepare to be boarded!

                  #59170
                  wedgie
                  Participant

                    Does this look right Bucc ?

                    https://richardlpaquette.ca/5D12VManual.PDF

                    #59171
                    garry-in-michigan
                    Participant

                      This tiller should work. It has the cast gear. The earlier stamped gear is part number 375977. . . 😀


                      #59173
                      garry-in-michigan
                      Participant

                        Buck an ear – – – 😀

                      Viewing 10 posts - 1 through 10 (of 11 total)
                      • You must be logged in to reply to this topic.